![]()
![]() | 如何解决螺钉滑牙的问题: 1、采用优质的内六角凹端紧定螺丝生产线材,把生产好的紧定螺钉做加硬处理。 2、使用时一定要合理运用好相应的使用工具,在打内六角凹端紧定螺丝时,不需要用太大的力度,把握好力度的均衡就可以。 |
![]()

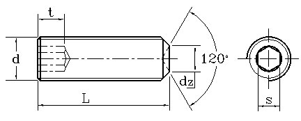
| 存在正负公差,螺丝参考规格由D*L组成(直径*长度)总长度单位:mm | |||||||||||||||||
| 螺纹规格d | M1.4 | M1.6 | M1.8 | M2 | M2.5 | M3 | M4 | M5 | M6 | M8 | M10 | M12 | M14 | M16 | M18 | M20 | |
| 螺距 P | 0.3 | 0.35 | 0.35 | 0.4 | 0.45 | 0.5 | 0.7 | 0.8 | 1 | 1.25 | 1.5 | 1.75 | 2 | 2 | 2.5 | 2.5 | |
| S | 公称 | 0.7 | 0.7 | 0.7 | 0.9 | 1.3 | 1.5 | 2 | 2.5 | 3 | 4 | 5 | 6 | 6 | 8 | 10 | 10 |
| max | 0.724 | 0.724 | 0.724 | 0.902 | 1.295 | 1.545 | 2.045 | 2.56 | 3.08 | 4.095 | 5.095 | 6.095 | 6.095 | 8.115 | 10.12 | 10.12 | |
| min | 0.711 | 0.711 | 0.711 | 0.889 | 1.27 | 1.52 | 2.02 | 2.52 | 3.02 | 4.02 | 5.02 | 6.02 | 6.02 | 8.025 | 10.03 | 10.03 | |
| t | 0.6 | 0.7 | 0.8 | 0.8 | 1.2 | 1.2 | 1.5 | 2 | 2 | 3 | 4 | 4.8 | 5.6 | 6.4 | 7.2 | 8 | |

![]() | ![]() | ![]() |
![]() | ![]() | ![]() |



![]() | ![]() | ![]() | ![]() |
汽车行业 AUTOMOBILE INDUSTRY | 机械行业 MACHINERY INDUSTRY | 电子行业 ELECTRONIC INDUSTRY | 建筑行业 ACHITECHIVE |

![]() | ![]() |





阿里巴巴
淘宝



















