
![]() | 碟形垫圈也叫碗形垫圈、锥形垫圈等,锥形设计,硬化有良好的弹性功能,应用于有运动负载的机械设备工业领域。碟形弹簧垫圈属于安全紧固件类别,因此对专业制造能力要求较高,需要做静态负负载承压测试! 碟形垫圈用途广泛,一种与配合螺栓使用的高张力防松垫圈,适用于高强度的硬连接部位,碟形垫圈的制造与应用受到许多条件的影响,需要科学的了解,否则很难达到安全功能! 优点及特点:高轴向载荷、高疲劳寿命、高载荷落差(因温差引起)补偿、有效降低动载荷的负面影响、防松锁紧、弹性高,载荷集中均匀,安全度高。 制造执行标准:符合NFE25510与DIN6796-HS标准。规格:M5-M20型号,也可提供订制服务主要材质有S60C,60Si2mn,51crav4及特殊合金材质,盐浴硬化,表面处理为磷化黑,机械锌,达克罗涂层等!不提供化学电镀处理!多数情况下标准型碟形弹簧垫圈并不能完全满足用户要求,通过计算与适当调整来获得理想的订制功能! 产品应用领域:本产品现广泛应用于电器,电梯,电塔,机械设备,医用机械产品配套上,是一款碟型改良紧固件产品,质量符合德标DIN6796碟形弹簧标准。 |


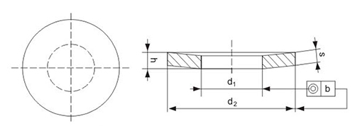
碟形弹簧垫圈 NFE25510 尺寸示意图



![]() | ![]() | ![]() | ![]() |
汽车行业 AUTOMOBILE INDUSTRY | 机械行业 MACHINERY INDUSTRY | 电子行业 ELECTRONIC INDUSTRY | 建筑行业 ACHITECHIVE |

![]() | ![]() |





阿里巴巴
淘宝












