

品牌:法士威
名称:GB9074.4大盘头组合螺丝
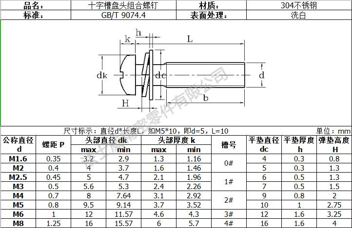
标准:GB9074.4
材质:不锈钢
不锈钢组合螺钉标准即指国标,也就是常说的国标号,有十字盘头的,有十字外六角的。也就是不锈钢盘头组合螺丝,不锈钢十字外六角组合螺丝,国标号有GB9074.8,GB9074.4。
不锈钢组合螺丝GB9074.8指的是不锈钢十字小盘头组合螺丝。不锈钢组合螺丝GB9074.4指的是不锈钢十字大盘头组合螺丝,大盘头组合螺丝和小盘头组合螺丝的区别在于大盘头组合螺丝里的盘头螺丝的头部比小盘头组合螺丝里的盘头螺丝的头部要大一点,头部厚度也要厚一点。不锈钢十字外六角组合螺钉国标号为GB9074.13,不锈钢外六角组合螺丝的国标号为GB9074.17。
不锈钢大盘头组合螺丝制造工艺:
不锈钢组合螺钉是由不锈钢螺丝线材墩打而成的。先墩打出盘头螺钉或者外六角螺检,在用人工把不锈钢平弹垫穿在螺丝上面。要是有自动穿垫机器的话,就直接分螺丝,弹垫,平垫分别放在组合螺钉穿垫机上,机器自动的会搓好,搓好之后,自动的搓牙。搓好牙的不锈钢组合螺丝,其颜色是本色的,这时,就需要把本色的不锈钢组合螺丝清洗干净,使它美观,光亮。如果客户要求要过盐雾72个小时以上的话,这时,就需要把不锈钢组合螺钉拿去电镀厂钝化处理。使它盐雾达到72个小时以上。
不锈钢大盘头组合螺丝电镀工艺:
不锈钢大盘头组合螺丝,可能很多人会认为不锈钢的材质不会生锈,这种认为是错误的。SUS304不锈钢组合螺丝在特定的情况下,还是会生锈的。比如说:不锈钢组合螺丝在潮湿的空气当中,引发电化反应,把不锈钢组合螺丝表面的受到破坏,简称电化学腐蚀。不锈钢组合螺丝表面在不小心粘附液汁,在水氧情况下,构成酸,长时间则酸对不锈钢组合螺丝进行腐蚀。不锈钢组合螺丝在污染空气当中(如二氧化硫,氧化氮,氧化碳)。所以就需要在表面电镀一层保护膜,这样可以有效的防止螺丝生锈。
用途:
不锈钢大盘头组合螺钉广泛运用于电气,电器,机械设备,电子产品,船舶,化工,水利,等等。使其设备产品部件与部件之间的紧固,因有组合的平垫弹垫安装起来比较方便快捷,还不容易松动.使用不锈钢材质还有美观、防锈等功能。



![]() | ![]() | ![]() | ![]() |



![]() | ![]() | ![]() | ![]() |
汽车行业 AUTOMOBILE INDUSTRY | 机械行业 MACHINERY INDUSTRY | 电子行业 ELECTRONIC INDUSTRY | 建筑行业 ACHITECHIVE |

![]() | ![]() |





阿里巴巴
淘宝
















