深圳市法士威精密零件有限公司

全国服务热线:0755-29766626

新闻中心 关于法士威 联系法士威

365app澳门下载手机版

法士威-机米螺丝规格尺寸表

机米螺丝规格尺寸表

法士威-12.9级高强度发黑机米螺丝规格表:

高强度机米螺丝

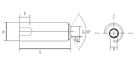
机米螺丝规格图

存在正负公差特,螺丝参考规格由D*L组成(直径*长度)总长度单位:mm

规格d
p
s
t

max
min

公称
maxmin
M2
1.89
1.98
0.40.9
0.889
0.8
M2.52.38
2.48
0.45
1.3
1.27
1.2
M32.87
2.98
0.5
1.5
1.52
1.2
M43.83
3.98
0.7
2
2.02
1.5
M54.83
4.98
0.8
2.5
2.52
2
M65.82
5.97
1
3
3.02
2
M87.79
7.96
1.254
4.02
3
M109.77
9.96
1.5
5
5.02
4
M1211.76
11.96
1.75
6
6.02
4.8


法士威-黄铜机米螺丝规格表:

黄铜机米螺丝


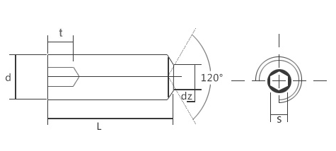
黄铜机米螺丝规格图

存在正负公差特,螺丝参考规格由D*L组成(直径*长度)总长度单位:mm

公称直径d
M2
M2.5
M3
M4
M5
M6
螺距p
0.4
0.45
0.5
0.7
0.8
1
dz
Max
1
1.2
1.4
2
2.5
3
Min
0.75
0.95
1.15
1.75
2.25
2.75
s
公称
0.9
1.3
1.5
2
2.5
3
Max
0.902
1.295
1.545
2.045
2.56
3.071
Min
0.889
1.27
1.52
2.02
2.52
3.202
t
Min
0.8
1.2
1.2
1.5
2
2


回到顶部

0755-29766626

在线咨询

关注我们

二维码
Baidu
map