

品牌:法士威
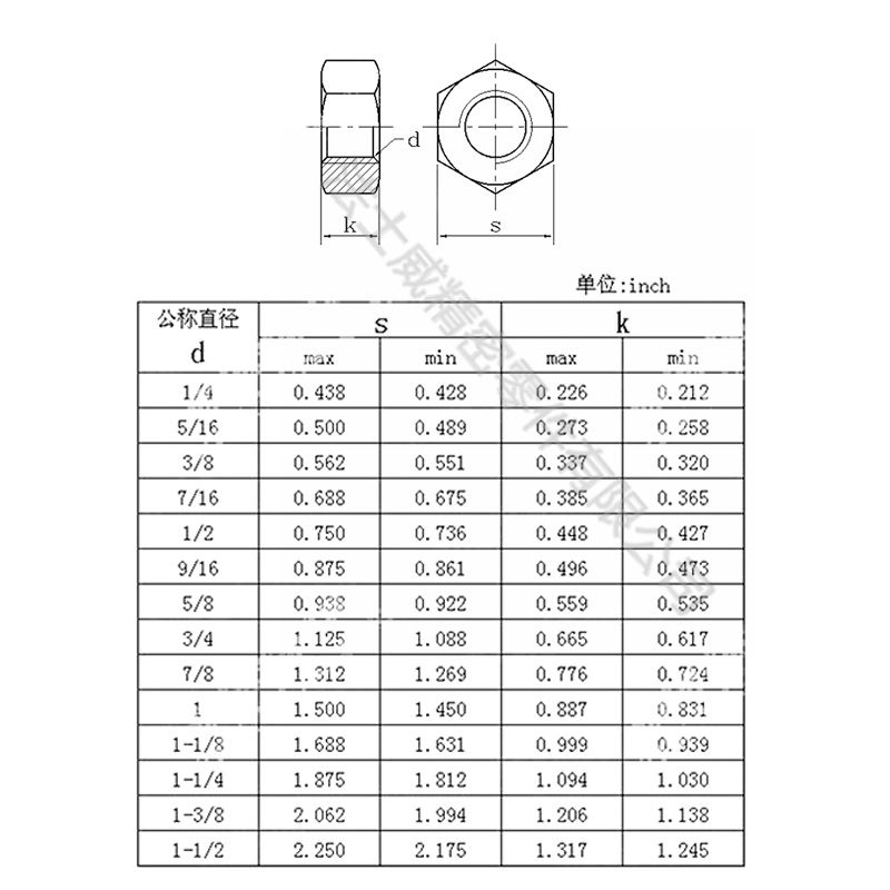
名称:ANSI B18.2.2美标六角螺母
标准:ANSI B18.2.2
材质:碳钢
定义:
碳钢六角螺母与螺栓、螺钉配合使用,起连接紧固机件作用。其中I型六角螺母应用较广,C级螺母用于表面比较粗糙、对精度要求不高的机器、设备或结构上;A级和B级螺母用于表面比较光洁、对精度要求较高的机器、设备或结构上。II型六角螺母的厚度m较厚,多用于常经常需要装拆的场合。六角薄螺母的厚度m较薄,多用于被连接机件的表面空间受限制的场合。
螺母是具有内螺纹并与螺栓配合使用的紧固件,具有内螺纹并与螺杆配合使用用以传递运动或动力的机械零件。
螺母是所有生产制造机械必须用的一种原件.螺母的种类繁多,我们常见的有国标,英标,美标,日标的螺母.螺母根据材质的不同,分为碳钢、高强度、不锈钢、塑钢等几大类型.根据产品属性对应不同的标准号分为普通、非标、(老)国标、新国标、美制、英制、德标。大小不同,螺纹不等分为不同的规格.一般国标、德标用M表示(例如M8、M16),美制、英制则用分数或#表示规格(如8#、10#、1/4、3/8)紧固件,螺母是将机械设备紧密连接起来的零件,通过内侧的螺纹,同等规格螺母和螺丝,才能连接在一起,例如M4-0.7的螺母只能与M4-0.7的螺杆搭配(在螺母中,M4指螺母内径大约为4mm,0.7指两个螺纹牙之间的距离为0.7mm);美制产品也同样,例如1/4-20的螺母只能与1/4-20的螺杆搭配(1/4指螺母内径大约为0.25英寸,20指每一英寸中,有20个牙).



![]() | ![]() | ![]() | ![]() |



![]() | ![]() | ![]() | ![]() |
汽车行业 AUTOMOBILE INDUSTRY | 机械行业 MACHINERY INDUSTRY | 电子行业 ELECTRONIC INDUSTRY | 建筑行业 ACHITECHIVE |

![]() | ![]() |





阿里巴巴
淘宝
















